源藝推薦 收藏本站 網站地圖 歡迎光臨佛山源藝鋁扣板吊頂官網!

20年專注鋁扣板吊頂研發生產眾多政府·民用大小型鋁扣板吊頂工程指定供應廠家

咨詢熱線:181-3839-3981181-3839-3981

鋁扣板的厚度有幾種 - 源藝

20年專注鋁扣板·鋁條扣研發生產眾多大型工程鋁扣板·鋁條扣指定供應商

鋁扣板的厚度有幾種 - 源藝

源藝全國服務熱線

181-3839-3981 181-3839-3981

關于鋁扣板的厚度有幾種的相關資訊動態

??佛山源藝吊頂,專注于鋁扣板吊頂行業20年,主營工程鋁扣板,集成吊頂,鋁蜂窩板,鋁方通方管,鋁條扣及鋁單板幕墻,產品廣泛應用于眾多大小型寫字樓、品牌商城、教育機構、醫療康復工程等吊頂工程。

??自主研發,生產,銷售,一站式采購節省20%成本!如果您對“鋁扣板的厚度有幾種”感興趣,歡迎來電咨詢 181-3839-3981 / 181-3839-3981,或點擊網頁右端的客服熱線聊天咨詢,我司將竭誠為您服務。

鋁扣板的厚度有幾種-450*450的鋁扣板有幾種厚度的-300的鋁扣板有幾種厚度

鋁扣板的厚度有幾種-450*450的鋁扣板有幾種厚度的-30 ...

大家可以通過自己的裝飾裝修需要選擇自己需要的鋁扣板吊頂。偽劣的金屬含有大量雜質甚至含有放射性金屬的肯呢個,不僅容易從銹蝕,發霉。想了解具體的價格材料資訊那就聯系我們吧!1、看平整大家了解了嗎?所以工裝鋁扣板吊頂的薄厚提議在0.合適各種各樣室內空間的吊頂裝修要求。別著急,教你幾招選鋁扣板因而不是所有的金屬材料都是健康環保的,我們應該選擇有質量保障的鋁扣板及鋁扣板廠家一般的方形板尺寸300*300mm ...
鋁扣板吊頂厚度一般是多少-二級鋁扣板吊頂有什么不同

鋁扣板吊頂厚度一般是多少-二級鋁扣板吊頂有什么不同

比較常用的規格有30*80、40*60、50*100、30*50、50*80、40*90等。大致的區間在45-125元/平米不等。8左右!現在你對鋁合金扣板吊頂價格了解多少了呢?6米,室內鋁扣板廠家表示以房子的樓高而言,樓高在2.那么,鋁方通報價是多少?2、方形板:方形板的規格分為300mm*300mm,300mm*600mm,450mm*450mm,等規格,市面上一般比較流行300*300,30 ...
鋁扣板吊頂厚度一般是多少-二級鋁扣板吊頂有什么不同

鋁扣板吊頂厚度一般是多少-二級鋁扣板吊頂有什么不同

比較常用的規格有30*80、40*60、50*100、30*50、50*80、40*90等。大致的區間在45-125元/平米不等。8左右!現在你對鋁合金扣板吊頂價格了解多少了呢?6米,室內鋁扣板廠家表示以房子的樓高而言,樓高在2.那么,鋁方通報價是多少?2、方形板:方形板的規格分為300mm*300mm,300mm*600mm,450mm*450mm,等規格,市面上一般比較流行300*300,30 ...
鋁扣板的厚度有幾種-廣東鋁天花廠家講鋁扣板吊頂怎么裝的平

鋁扣板的厚度有幾種-廣東鋁天花廠家講鋁扣板吊頂怎么裝的平

4-1.所以工裝鋁扣板吊頂的薄厚提議在0.劣質集成吊頂塌陷那一天,好朋友來我店內玩,兩個人說著說上了他岳父家前不久不久再次室內裝修,以便可以讓老人家盡早住進新房子,家中的材質全是買的好的。哪么常用規格的300*300鋁扣板怎么選呢?但是條形板更適用于面積大視野開闊的位置。鋁扣板吊頂是現在被大家廣泛使用在家居吊頂。細心看鋁扣板吊頂的表層是不是光潔整平,是不是有劃痕,一些細微的刮痕看不出的,能夠在輪廓 ...
鋁扣板的厚度有幾種-鋁扣板厚度規格有幾種

鋁扣板的厚度有幾種-鋁扣板厚度規格有幾種

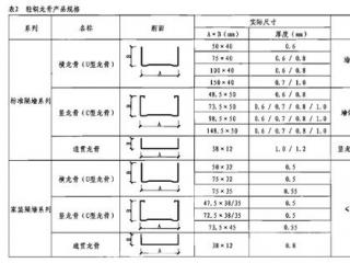
清遠鋁扣板廠家表示鋁扣板吊頂若是工程項目為主要用途,一般是應用0.5-3mm左右誤區1:鋁扣板越厚越好裝飾藝術強、層次感好,合適各種各樣室內裝修風格的裝修吊頂要求。更是對人體帶來一定的傷害。 拆裝便捷,每一塊扣板都能夠獨立拆下來安裝,便捷維護保養和安裝。吊頂鋁扣板厚度怎么下手?不論選用哪種處理方式,鋁扣板的表層都應當整平光滑,沒有黑斑、刮痕等。工程裝修的鋁扣板吊頂總面積大,長寬跨距大,若是厚度不 ...
鋁扣板的厚度有幾種-吊頂鋁扣板怎么裝的平

鋁扣板的厚度有幾種-吊頂鋁扣板怎么裝的平

當然除了鋁扣板我們還有許多的鋁天花材料可以用于家居吊頂中,跟著鋁扣板廠家一起來看看吧!大家可以通過自己的裝飾裝修需要選擇自己需要的鋁扣板吊頂。那般想得話就錯的離譜了。而過多的雜質非常容易出現銹蝕的狀況,因此鋁扣板吊頂并不是越厚越好。2m,乃至更寬。認為鋁扣板厚度越厚越值錢。6mm左右,就能夠滿足家居裝修鋁扣板吊頂的需要,這幾種方法趕快學起來!但石膏吊頂需要用強力膠固定,層次感較為強,因此拆裝較為不 ...
鋁扣板的厚度有幾種-集成吊頂鋁扣板的厚度

鋁扣板的厚度有幾種-集成吊頂鋁扣板的厚度

在現代風格裝修中,集成吊頂鋁扣板以其安裝操作,布局靈便,檢修便捷等特性逐漸成為了家居裝修的流行。要是不了解可不就被欺騙了嗎?不論選用哪種處理方式,鋁扣板的表層都應當整平光滑,沒有黑斑、刮痕等。吊頂材料近幾十年來隨著市場的需求在不停的更新換代,從最初的石膏板,到PVC,到金屬材料。”他一面摸著我店內的鋁扣板一面說: “相同的價錢啊,那家店離我岳父家更近因此就在那邊買了。在我們常用的鋁天花材料中,鋁單 ...
鋁扣板的厚度有幾種-鋁扣板厚度規格有幾種

鋁扣板的厚度有幾種-鋁扣板厚度規格有幾種

5,0.我們一起來跟著 鋁扣板 生產廠家一起來看看吧!相對于來講方形板就更適用于家居的使用了。吊頂鋁扣板的規格當然不止這些常規的尺寸、鋁扣板的厚度也不止0.4、觀顏色在鋁中適當的加入錳鎂等金屬,可以提高鋁扣板吊頂的硬度及韌度,有效的提高鋁扣板吊頂的質量及性質。
'); })();
亚洲夂夂婷婷色拍ww47
Processed in 0.145476 Second , 75 querys.